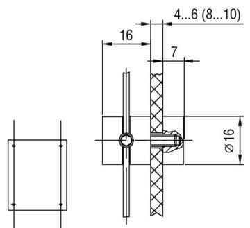
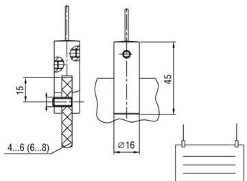
Диаметр троса - 2мм
Материал - латунь
Покрытие - никель
Данную систему подвесов можно привезти под заказ. Срок поставки от 7 рабочих дней после 100% предоплаты. Возможно изменение стоимости товара, актуальные цены необходимо уточнять у менеджеров торгового отдела.


